Конденсационные котлы FGB
Настенные газовые конденсационные котлы FGB от Wolf
Котлы серии FGB производятся в двух мощностях (28 и 35 кВт) и в двух исполнениях: одноконтурный и двухконтурный (комбинированный). Котел FGB предлагает все, что может предложить современный настенный конденсационный котел, работающий на природном или сжиженном газе. Котлы FGB производятся в Германии.
Дизайн
Стильный корпус и компактные размеры предлагают множество возможностей установки. Внутренние компоненты выполнены из надежных и долговечных материалов: трубная обвязка из меди, литой теплообменник из высокоэффективного сплава алюминия, гидравлический блок из армированного стекловолокна полиамида, теплообменник ГВС в комбинированных котлах из нержавеющей стали. Простая конструкция моноблочного теплообменника обеспечивает легкость сервисного обслуживания. Высокопроизводительный насос и вентилятор вместе с высокой теплопроводностью теплообменника позволяют данному котлу занимать свое место в классе А по энергетической директиве ErP. В котёл встроены все необходимые компоненты: предохранительный клапан, конденсатоотводчик, расширительный бак, воздухоотводчик и обратный клапан дымовых газов, что позволяет использовать котлы в системах с совместным дымоходом, например в многоквартирных домах, и/или каскадных дымоходах многокотловых установок. Быстрая установка и обслуживание могут производиться одним человеком благодаря удобным крепежным и соединительным элементам.
Особенности
Конструкция камеры сгорания обеспечивает идеальное сгорание и эффективный диапазон модуляции (до 1:6) при очень низком давлении газа. Встроенная автоматика подстраивается под изменения уличной температуры (датчик – аксессуар), совместима со всеми модулями управления Wolf, поддерживает работу с солнечными коллекторами, позволяет управлять через интернет с помощью браузера или iOs / андроид приложений (iSM7e – аксессуар). Онлайн контроль для пользователей и инсталляторов позволяет иметь доступ к котлу из любой точки мира для лучшей диагностики, изменения параметров, экономии и комфорта. Большой экран показывает важную информацию в доступном виде. Одним из преимуществ комбинированного котла - высокая производительность по ГВС с диапазоном работы от 2 до 16 литров в минуту вместе с быстрым стартом, высокой скоростью адаптации и комфортной температурой горячей воды. Новая возможность управления насосом снижает температуру обратной линии для дополнительной конденсации, повышает эффективность и обеспечивает самоочистку теплообменника.
Преимущества для инсталлятора:
|
Преимущества для пользователя:
|
|
|
|
| ОДНОКОНТУРНЫЙ КОТЕЛ | КОМБИНИРОВАННЫЙ КОТЕЛ | ||||||
|---|---|---|---|---|---|---|---|
| Тип | FGB-24 | FGB-28 | FGB-35 | FGB-K-24 | FGB-K-28 | FGB-K-35 | |
| Размеры (без адаптера дымовых газов) (ширина х глубина х высота) |
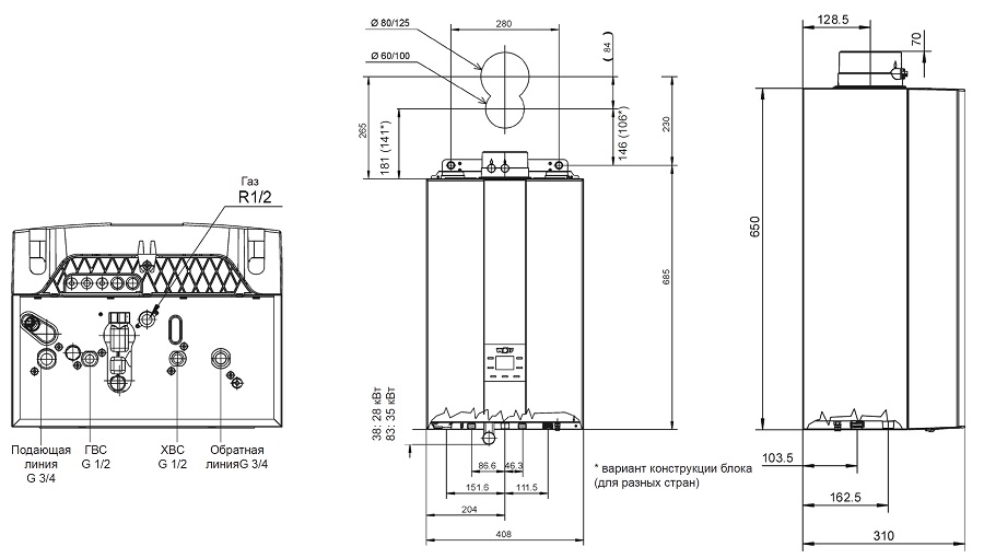
мм | 408 х 310 х 650 | 408 х 310 х 650 | 408 х 310 х 650 | 408 х 310 х 650 | 408 х 310 х 650 | 408 х 310 х 650 |
| Номинальная тепловая мощность 80/60 °С | кВт | 19,4 / 23,31 | 24,4 / 27,31 | 31,1 / 34,01 | 19,4 / 23,31 | 24,4 / 27,31 | 31,1 / 34,01 |
| Номинальная тепловая мощность 50/30 °С | кВт | 20,7 | 27,3 | 34,9 | 20,7 | 27,3 | 34,9 |
| Номинальная тепловая нагрузка | кВт | 20 / 241 | 25 / 281 | 32 / 351 | 20 / 241 | 25 / 281 | 32 / 351 |
| Мин. тепловая мощность (модулируемая) при 80/60 °С |
кВт | 4,8 | 4,8 | 6,7 | 4,8 | 4,8 | 6,7 |
| Мин. тепловая мощность (модулируемая) при 50/30 °С |
кВт | 5,3 | 5,3 | 7,5 | 5,3 | 5,3 | 7,5 |
| Мин. тепловая нагрузка (модулируемая) | кВт | 4,9 | 4,9 | 6,9 | 4,9 | 4,9 | 6,9 |
| Эффективность | |||||||
| КПД при номинальной тепловой мощности и высоком температурным режиме Hi/Hs |
% | 97 / 87 | 98 / 88 | 98 / 88 | 97 / 87 | 98 / 88 | 98 / 88 |
| КПД при номинальной тепловой мощности и низком температурным режиме Hi/Hs |
% | 110 / 99 | 110 / 99 | 110 / 99 | 110 / 99 | 110 / 99 | 110 / 99 |
| NOx класс | 6 | 6 | 6 | 6 | 6 | 6 | |
| Расширительный бак | л | 8 | 8 | 8 | 8 | 8 | 8 |
| Максимально допустимое давление в контуре отопления | бар | 3 | 3 | 3 | 3 | 3 | 3 |
| Общий вес | кг | 27 | 30 | 35 | 27 | 30 | 35 |
| Электроподключение | 230 V, 50 Hz | 230 V, 50 Hz | 230 V, 50 Hz | 230 V, 50 Hz | 230 V, 50 Hz | 230 V, 50 Hz | |
| Производительность по ГВС при ΔT = 30K | л/мин | - | - | - | 10,55 | 13,4 | 16,3 |
| Подключение подачи воздуха | мм | 100 | 100 | 100 | 100 | 100 | 100 |
| Подключение дымовых газов | мм | 60 | 60 | 60 | 60 | 60 | 60 |
| Розничная цена | € | 1 600,00 | 1 600,00 | 1 600,00 | 1 600,00 | 1 600,00 | 1 600,00 |
| Акционная цена | € | 1 200,00 | 1 200,00 | 1 200,00 | 1 200,00 | 1 200,00 | 1 200,00 |
1 - режим нагрева / режим ГВС




